SCANDI Gable Sauna 4.3m²


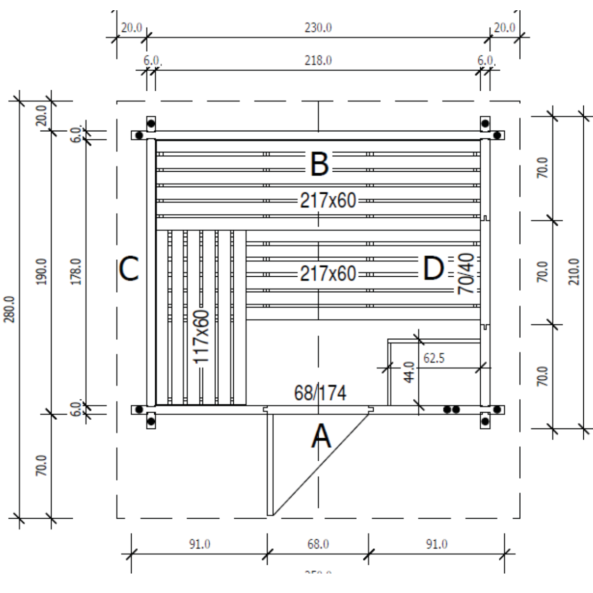
Sicilia V1 Floor Plan
This roomy 4.3m².sauna will happily seat 3 people with room to spare.
With a full height ceiling and triple glazed door and window the Gable Sauna feels roomy with lots of natural light.
This model comes as a kitset with:
- Solid Laminated Nordic Spruce walls 60mm thick.
- Safety Double Glazed 4/16/4mm windows & doors